Free Cooling im Stadthotel
The “Wilhelmshof” im zweiten Wiener Gemeindebezirk ist ein 4* Hotel mit starkem Fokus auf Nachhaltigkeit. Schon seit 2008 unterstützt eine 156 m² große Solarthermie-Anlage die Warmwasserbereitung des Hotels - die größte der Wiener Hotelerie.
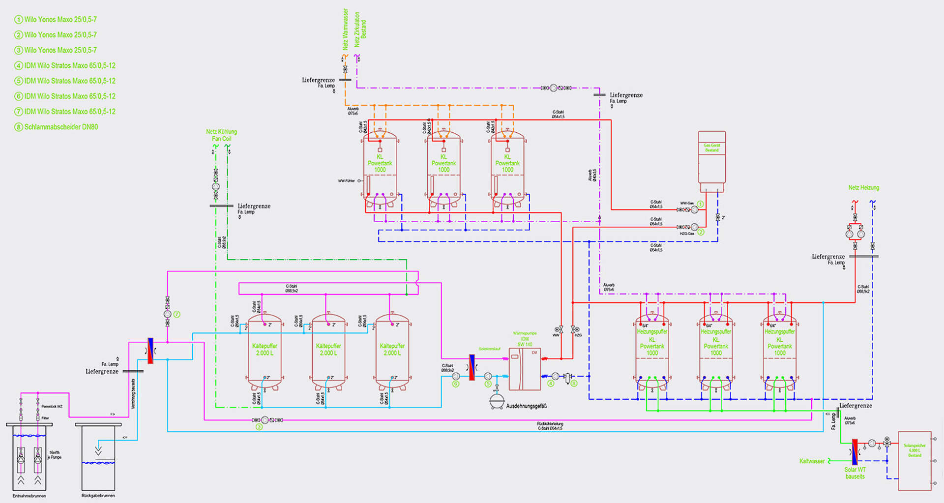
Das 102-Zimmer-Stadthotel hat über die Jahre durch diverse Maßnahmen seinen Energiebedarf gut reduzieren können. Nun wollte man auch die Gasheizung weitestgehend durch erneuerbare Energien ersetzen.
Der Pandemie wegen hat man sich kurzerhand entschlossen, den geplanten Umbau vorzuziehen und die unerfreuliche Situation positiv zu nutzen. Wichtigste Energiequelle ist nun Grundwasser, das sowohl als Wärmequelle für die Wasser-Wasser-Wärmepumpe dient, als auch für das “free cooling” Kühlkonzept. Grundlage
dieser Art der Raumkühlung ist eine kostenlose, natürliche “Kältequelle” wie eben Grundwasser. Über Fancoils wird das kalte Wasser für die dezentrale Temperierung der Räume genutzt.
Drei Kältespeicher mit je 2.000 Liter stehen als Puffer zur Verfügung. In den sonnigen Monaten liefert die Solarthermie einen großen Teil der nötigen Wärme und wir jetzt durch die neue 140 kW Grundwasser-Wärmepumpe unterstützt. Insgesamt sechs 1.000-Liter-Speicher, Kälte und Wärmeanforderung, die Solaranlage und die Regelung der Hotelräume übernehmen insgesamt 37 frei programmierbare Regler der x2 Serie.
Realisiert wurde das Projekt durch zwei Unternehmen, je für einen Bereich verantwortlich, die unabhängig voneinander entschieden hatten, "TA Regler" einzusetzen. "Einerseits ein Glücksfall, dass sich beide einig waren", bestätigt Hotel-Geschäftsführer Christian Mayerhofer, "und im Nachhinein auch die richtige Entscheidung." Dadurch war und ist man flexibel genug, um die vielen Komponenten im Gebäude in die Regelung einzubinden - von der Wärmepumpe über die Fancoils bis hin zur Wärme- und Kälteverteilung - und vor allem steht auch der laufenden Optimierung nichts im Weg.
Regelung
- 1 UVR16x2K
- 2 C.M.I.
- 36 RSM610 (Nachfolger: UVR610K-OD)
- verschiedene Erweiterungsmodule
- Sensorik
Anlage
- 156 m² Solarthermie
- 140 kW Grundwasser-Wärmepumpe
- 1 Gaskessel für Spitzenlasten
- 3x 1000 Liter Pufferspeicher
- 3x 1000 Liter Warmwasserspeicher
- 3x 2000 Liter Kältepuffer
- Heizkreis über Flächenheizung und Radiatoren
- Kühlkreis über Gebläsekonvektoren
Dieses Projekt wurde realisiert von:
- Wintersperger GmbH, A-3331 Kematen/Ybbs
- Lemp Entergietechnik KG, A-3532 Rastenfeld









