Wie in der Eisproduktion aus Druckluft Wärme wird.
Der Eishersteller Froneri setzt auf innovative Technologien, um die Effizienz und Nachhaltigkeit seiner Produktionsprozesse zu steigern. In einem weiteren Schritt sollte nun das Druckluftkonzept überarbeitet werden.
Die Carl Nolte Technik GmbH wiederum hat sich unter anderem auf genau diesen Bereich spezialisiert und erarbeitete für Froneri das neue Konzept.
Integrierte Wärmerückgewinnung
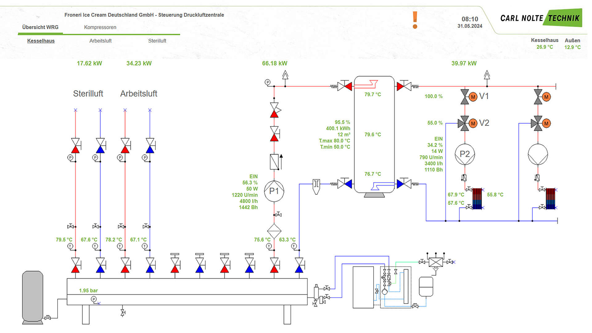
Ein wichtiger Bestandteil davon ist der Einsatz von Kaeser-Kompressoren mit integrierter Wärmerückgewinnung. Diese Kompressoren werden sowohl für die Erzeugung von Sterilluft, die in der Lebensmittelproduktion unerlässlich ist, als auch für Arbeitsluft verwendet, beispielsweise für Förderbänder.
Die bisherigen Kompressoren nutzten zur Kühlung aufbereitetes Frischwasser. Das genutzte Frischwasser wurde direkt in den Abfluss geleitet, was zu einem durchschnittlichen Verbrauch von 30 m³ pro Tag führte - eine unnötige Ressourcenverschwendung. Die neuen Kompressoren haben eine elektrische Leistung von 55 kW. Während des Verdichtungsprozesses erwärmt sich die Luft, wodurch natürlich Abwärme entsteht. Mit der zuschaltbaren Wärmerückgewinnung kann die wertvolle Abwärme gezielt genutzt werden – immerhin bis zu 48 kW.
Die Vorlauftemperatur liegt dabei zwischen 85 und 90 °C (bei einer Luftliefermenge von 11 m³/min und einem Enddruck von 8 bar). Diese Energie wird in einen 12.000 Liter Pufferspeicher geladen und zur Warmwasserbereitung weiterverwendet.
Die Carl Nolte Technik GmbH legt hohen Wert auf die Sicherheit, weshalb die Anlage nach den Sicherheitsanforderungen der Schutzklasse 1 konzipiert und installiert wurde. Die Verdrahtung wurde auf ein Minimum reduziert, indem Bussysteme verwendet werden. Über ModBus werden Ventile und Pumpen überwacht und gesteuert. Erweiterungsmodule wie zum Beispiel 4-20 mA Drucksensoren kommunizieren über den TA-eigenen Feldbus CORA mit der Regelung.
Fazit
Die Integration von Kaeser-Kompressoren mit Wärmerückgewinnung in die Produktionsprozesse von Froneri stellt einen bedeutenden Schritt in Richtung Nachhaltigkeit und Energieeffizienz dar. Durch den schrittweisen Ersatz der alten Kompressoren und den gezielten Einsatz von Bus-Systemen werden die Betriebskosten gesenkt und vor allem auch der ökologische Fußabdruck reduziert.
Regeltechnik
und je Kompressor zusätzlich
Anlage
- aktuell 2 Kompressoren mit Wärmerückgewinnung
- 12 m³ Pufferspeicher zur Warmwasserbereitung
Ausführendes Unternehmen:
Carl Nolte Technik GmbH
Mergenthalerstraße 11-17
48268 Greven
Deutschland
https://www.carlnolte.de/










